30 kW, 50 kW, 100 kW, 250 kW, 500 kW Leistungsumwandlungssystem PCS-Wechselrichter mit Trenntransformator
Dieser isolierte Energiespeicherwandler wurde auf Basis der Anwendungsanforderungen großer Gewerbe- und Industrieanlagen wie Spitzenlastverschiebung, Batterie-Backup usw. entwickelt. Er unterstützt die Parallelschaltung mehrerer Maschinen und kann den Leistungsbedarf von 30 kW bis 3 MW decken.
Artikelnummer :
30KW/50KW/100KW/150KW/250KW/500KWMarke :
OEM/Sail SolarNennspannung :
400V/ Customized US VoltageAkku-Typ :
Lithium Battery/Lead Acid BatteryArt der Kühlung :
Forced AirNetzanschluss :
3W+N+PESchutzklasse :
IP21Zertifikat :
EN 62109-1/-2, EN 62477-1, EN 61000-6-2/-6-4, NRS 097-2-1:2024, ASGCKommunikation :
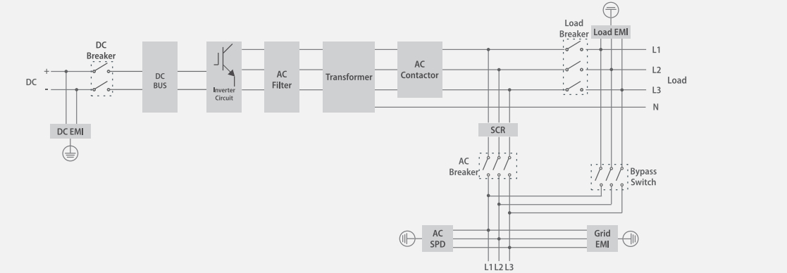
RS485/CANDieser PCS-Wechselrichter (Power Conversion System) ist ein Energiespeicher-Wechselrichter, der einen Photovoltaik-Controller, einen Energiespeicherwandler, einen Trenntransformator und eine automatische Umschalteinheit für netzgekoppelten/netzunabhängigen Betrieb integriert und somit eine gute Option für den Einsatz in Solaranlagen mit hoher Kapazität darstellt.

Spezifikationen
| Leistung | 30 kW | 50 kW | 100 kW | 150 kW | 250 kW | 500 kW |
| AC (Netzgekoppelt) | ||||||
| Maximale Ausgangsleistung (kW) | 33 | 55 | 110 | 165 | 275 | 550 |
| Nennausgangsleistung (kW) | 30 | 50 | 100 | 150 | 250 | 500 |
| Nennspannung (V) | 400 | |||||
| Nennstrom (A) | 320-460 | |||||
| Nennfrequenz (Hz) | 50/60 | |||||
| THDI | <3% | |||||
| Leistungsfaktor | 1 führendes - 1 nachlaufendes (Berechnungsfähig) | |||||
| Rastertyp | 3W+N+PE | |||||
| AC (netzunabhängig) | ||||||
| Nennspannung (V) | 400 | |||||
| THDu | ≤1 % linear; oder ≤5 % nichtlinear | |||||
| Nennfrequenz (Hz) | 50/60 | |||||
| Überlastkapazität | 110 % langfristig, 120 % 1 Minute | |||||
| Batterie | ||||||
| Batteriespannungsbereich (V) | 250-850 | 320–850 | 420–850 | 420–850 | 420–850 | 500–850 |
| Maximalstrom (A) | 137 | 178 | 270 | 405 | 673 | 1128 |
| Allgemeine Daten | ||||||
| Betriebstemperatur | -30 ~ 55 | |||||
| Schutzart | IP21 | |||||
| Kühlung | Umluftheizung | |||||
| BMS-Kommunikation | RS485/CAN | |||||
| EMS-Kommunikation | RS485, TCP/IP | |||||
| Zertifikate | EN 62109-1/-2, EN 62477-1, EN 61000-6-2/-6-4, NRS 097-2-1:2024, ASGC | |||||
Produktbeschreibung

Die Betriebslogik des PCS-Wechselrichters mit Trenntransformator ist auf maximale Effizienz und Kontrolle ausgelegt.
Garantierte NetzstabilitätDie Logik gewährleistet eine reine Sinuswellenausgabe mit<3 % THDi und ein breiter Spannungsbereich (320-460 V) schützen Ihre empfindlichen Geräte.
Unterbrechungsfreie StromversorgungDas Steuerungssystem ermöglicht einen automatischen, nahtlosen Übergang zwischen netzgekoppeltem Betrieb und Inselbetrieb und gewährleistet so eine hundertprozentige Verfügbarkeit.
Universelle KompatibilitätDie Logik steuert einen breiten Gleichspannungsbereich der Batterie (von 250 V bis 850 V) und unterstützt verschiedene Batterietypen (LiFePO4, Blei-Säure usw.).

WICHTIGSTE STÄRKEN
Eingebauter Trenntransformator, Anpassung an Stoßbelastungen.
Es stehen mehrere Betriebsmodi zur Verfügung, die flexibel an verschiedene Arbeitsszenarien angepasst werden können.
Blindleistung, Wirkleistung einstellbar.
Unterstützt den parallelen Anschluss mehrerer Maschinen.
Höchste Leistungsdichte, maximaler Wirkungsgrad von 97,5 %.
Redundantes Design für die Hilfsstromversorgung.
Kundendienst
● „24/7“-Kundendienst
● 7 Tage die Woche, 24 Stunden am Tag: Sofortige Reaktionsfähigkeit und Problemlösung – das Versprechen von Sail Solar für einen sorgenfreien Kundendienst.
● Service-E-Mail: info@sailsolress.com
Serviceprozess
01
Serviceanfragen einreichen
Sie können Ihre Serviceanfragen jederzeit per E-Mail, über den Online-Kundenservice oder die mobile App einreichen.
02
Schnelle Reaktion
Unser Serviceteam wird umgehend auf Ihre Anfragen reagieren und Ihnen die Details des Problems mitteilen.
03
Vor-Ort-Service oder Fernwartung
Je nach Art des Problems bieten wir Vor-Ort-Service oder technischen Support per Fernzugriff an.
04
Problemlösung
Unser Ziel ist es, Ihr Problem innerhalb von 24 Stunden vollständig zu lösen.
05
Nachverfolgen
Nachdem das Problem behoben wurde, wird unser Team weiterhin nachfassen, um Ihre Zufriedenheit mit den Ergebnissen unserer Dienstleistung sicherzustellen.
Eine Nachricht hinterlassen
Scannen zu Wechat :
Scannen zu WhatsApp :